Logo
Please visit our Sponsors
FAQs on Reef Set-Up 10

Related Articles: Reef Systems, Reef Set-Up, Being Conscientious Save money and the reefs By Jennifer Smith, Refugiums, Reef Filtration, Marine System PlumbingMarine Aquarium Set-UpFish-Only Marine Set-up, FOWLR/Fish and Invertebrate Systems, Coldwater Systems, Small Systems, Large Systems, RefugiumsMarine Biotope, Marine LandscapingFishwatcher's Guides

Related FAQs: Reef Set-Up 1, Reef Set-Up 2, Reef Set-Up 3, Reef Set-Up 4, Reef Set-Up 5, Reef Set-Up 6, Reef Set-Up 7, Reef Set-Up 8, Reef Set-Up 9, Reef Set-Up 11, Reef Set-Up 12, Reef Set-Up 13, Reef Set-Up 14, Reef Set-Up 15, & Reef Tanks, Reef LightingReef Lighting 2Reef Filtration, & Reef LivestockingReef Livestocking 2, Reef Feeding, Reef Disease, Reef Maintenance, Marine System PlumbingMarine Aquarium Set-UpLive Rock, Live Sand, Fish-Only Marine Set-ups, FOWLR/Fish and Invertebrate Systems, Coldwater Systems, Small Systems, Large Systems Reef Maintenance Biotopic presentations Algal Filtration in General, Mud Filtration 1

Small Marine Aquariums
Book 1: Invertebrates, Algae
New Print and eBook on Amazon:
by Robert (Bob) Fenner
Small Marine Aquariums
B
ook 2: Fishes
New Print and eBook on Amazon: by Robert (Bob) Fenner
Small Marine Aquariums Book 3: Systems
New Print and eBook on Amazon:
by Robert (Bob) Fenner

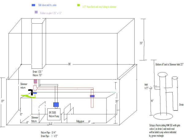
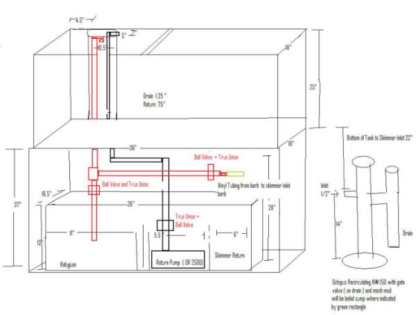
Thoughts on my new reef tank setup 01/16/2008 Hi, <<Hello, Andrew here>> Thanks in advance for taking the time to read my email, and for the times you helped me previously. I've been keeping freshwater aquariums for over 10 years now but have little experience with marine aquariums except for a brief experiment with a nano tank at work ( took it down when I went back to school ). I'm currently in the process of setting up a reef tank and have been doing research ( reading here and joined a couple of forums, books, etc. ) for the last couple of years.<<Best way to learn and understand the marine side of fishkeeping and husbandry>> I find plumbing the most confusing part of it all and was hoping you can take a look at my rudimentary drawing and give me some input, as well as on my tank plans. The tank itself is a 65 gallon AGA reef ready with a 1.25" drain and .75" return. I bought the setup used from a member on one of my forums and he said the drain was an 1" but I measured it at 1.25". The stand, hood and sump were DIY by the former owner. The sump is approximately 20 gallons ( acrylic ) and the hood has two 175w MH and 2 65w PC fixtures along with a fan. I have an Ocean Runner 2500 (3/4" outlet - 900 gph/10.5 ft ) for the return pump and am using 2 Koralia #3's and 1 Koralia #2 for flow ( I might cut out one of them when everything is up and running as I didn't realize how big they are when I purchased them ). The skimmer is an Octopus NW 150 recirculating model bought with the gate valve and mesh mod.s. I plan on gravity feeding it as one of my main goals is to keep power consumption down ( I will probably only use one MH bulb for starters since I originally planned on T5 but the setup was too good a deal to pass up ). <<sounds like a nice setup you have purchased there>> I have since changed the plans from the drawing so that the vertical pipe off the tee on the drain is going to the skimmer and the horizontal run is going to the refugium, and have turned the skimmer around accordingly ( I can redraw it and send it in if you'd like ). The skimmer will sit behind the sump and there will be rock rubble in that section where it drains to. In the refugium I will have some LR and macro growing ( for nutrient export and to feed any herbivores, as well as grow 'pods ). I don't know how deep a sand bed will be in the 'fuge but I do plan on having a 4" sand bed composed of oolithic/sugar sized aragonite sand and seeding it with some from an established tank. <<Sounds all great so far>> My plumbing questions are regarding the diameter of pipe as the previous owner had the drain coupled to a larger diameter pipe via a ?bushing? and I am not sure if this is necessary for my purposes. <<See no reason not to have it there, its fine>> I am also not sure if my valves and unions are correctly placed. <<Yes, they are fine. The valves are used to control flow to the refugium and inlet section (your skimmer return)>> Furthermore, the manual for the OR states that if it is being used as a return pump with hard PVC pipe, it is best to use a short run of flexible tubing to connect the pump to pipe to reduce noise. How would I go about doing that? <<Yes, it is a wise idea to have some flexi hose joining the rigid pipe work to the pump, this can be achieved by used a barbed fitment from the PVC pipe work and an attachment is available for connecting the flexi hose to the Ocean Runner pump>> I also bought a grounding probe. Does that have to go into the display or can it go into the sump? <<Either will be fine, many chose the display>> Regarding livestock. I plan on keeping peaceful fish, leaning towards smaller species with perhaps one larger centerpiece specimen, and the invertebrates will be mostly LPS and softies. My list, which has to be finalized, will be derived from this list ( as of now anyways ): 1.) Pair of percula or ocellaris clownfish ( preferably captive bred) 2.) Trio of pajama cardinals 3.) 1 or 2 Jawfish/shrimp gobies along with a shrimp goby ( I am leaning towards a yasha goby but since they are pricy I am looking at Jawfish and other shrimp gobies) 4.) Firefish 5.) One or two of the citron/clown goby types 6.) Dwarf angel ( I know these are a risk with cnidarians and have yet to decide on whether I will take the risk but a flame or coral beauty angel would make a nice center piece for this tank)<<beautiful fish, but yes, certainly a risk>> 7.) Small, reef safe wrasse is a possibility if the angel won't work. What do you think would be a good community made up from this list? Do you have any other suggestions I should consider? <<I worked out at about 75gals display tank size. From your selection above, all are nice and relatively peaceful fish. Its a nice range/selection of fish you have chosen, and mixtures of the above are certainly fine. One thing to note though is to ensure a nice tight fitting lid is used as couple can be jumpers when stressed>> Regarding the Jawfish/shrimp gobies I have read alternatively that they need fine sand for sifting through but that they also need coarse substrate and shells for building their tunnels. Which is true? <<Jawfish do require a fine substrate, however Goby/Shrimp combo's do require a more coarse grade of substrate>> Should I just scatter around a mixture of small shells and a handful of coarse substrate for them to use? <<A lot of people will tend to tailor make a specific area of the aquarium with the more coarse sand/shell mixture with a view that the shrimp/Goby will take on this area. The same goes for Jawfish, where people will specifically have a deep area of sand in the tank for the fish to live in...Hopefully>> Any specific recommended order of introducing the fish? <<From your research of fish, it will be best for you to add them with a view on their aggression. Add the least aggressive fish first, and the most aggressive last. If done the other way around, the most aggressive fish will take its fair share or territory, more than what it would do if added last>> Do you have any thoughts on using GARF Grunge for seeding my sand bed and/or 'fuge? <<Its a popular product to use these days, others choose to get some live sand from an established reef and add that to the new sand to introduce and kick start life>> For rock, I plan on using 50 lbs of Marco dry rocks ( after curing them ) along with a few pounds of live rock to seed them. Would I be better off using cured or uncured LR to seed my tank? <<Cured live rock is always best choice there>> I guess that's all the questions ( for now ). Thanks again, Eric <<Thanks for the questions, A Nixon>>

Reef Circulation Question 12/28/07 Good Day Crew, <Hello Eric.> (I'm sorry if a similar question came through just now, but my email system "crashed" right before the email went off and I'm not sure if you got it..) Thank you (to everyone) for a truly beneficial service. I read almost every night, sometimes for hours at a time. My reef tank would not be even close to what it is now without this site. (It's now my 'Healthy Obsession'). I would also have no idea what an Aqua C Remora is (Excellent Product by the way). <Very nice to hear of your success.> My question is as follows: I am looking to improve my circulation. I currently have a 55 gallon (standard 4ft length) Reef which consists mostly of Polyps and moderate flow requiring Corals. I have three Powerheads, the skimmer, and a Whisper 60 Filter (changed and cleaned often to prevent build up). -My first PH is a MaxiJet 1200 which is located on the left side wall, facing center. -My second PH is an AquaClear 70, located on the right side wall, also facing center. -The third is a MaxiJet 600 with a rotating deflector attachment. This is facing 'front and center' The problem with this setup is that the MJ 1200 vastly overpowers the other two, and the stream is such that it creates a high level of Laminar flow. (The AC 70 is old, and although it has been cleaned thoroughly, is very weak, only producing about ¼ of what it's supposed to. <OK> I have a few options. The first is that I could ditch the powerheads (most anyway) and add an Ocean Runner PH2500 (650 gph) which I have that's not being used, and attach that to a PVC pipe system, where I could run it along the top of the aquarium. I could drill/etc. holes in the pipe so it would spray downward. I could add a few other powerheads for supplemental flow, but this should be fine, correct? <This could work, by the time you add the plumbing to the pump you will likely have less flow than what is currently in your tank.> I figure if you don't include the skimmer and filter, it's still over 10x per hour of circulation. <It is surprising how much the plumbing will reduce the flow of the pump, perhaps even in half with a spray bar.> Another option would be to keep the existing powerheads except for the AC 70 and replace that with another MJ 1200, and put these toward the top of the aquarium. <Yes.> Out of those two, which is the best? <For my time and money, adding another MJ1200 is what I would do.> Also, if you have any suggestion that I'm not thinking of, I would love to hear it. I have been reading a ton, and discussing it with fellow reef enthusiasts who seem to think the first idea is better than the second. <More and more reefers are getting away from powerheads and going to closed loops. If you don't mind the look of the powerheads they give you a more adjustable flow pattern and are cheaper to run. It is a matter of personal preference. I own the particular Ocean Runner pump you have and love it. But, the two MJ1200's will definitely outflow the pump.> Once again, Thank you for the help. Eric <Welcome, I hope this helps you decide, Scott V.>

Tank setup help, Reef  12/26/07 Hello Crew! <Hello Patrick.> First off let me begin by telling you how thankful I am to have stumbled upon a site dedicated in helping hobbyist in achieving their goals. I have found your site a great help in the decisions I make for my tank and have had great success. <Happy the site has helped.> I currently have a 135 gallon reef setup built into a wall with 240lbs of live rock, and a DSB. It is lit with three 250w 14k MH. Its been established for about 6 months. Both sides of the tank are viewable so all the plumbing is located on the sides of the tank. Due to the design of the stand, the sumps below consist of two 20 gallon tanks joined in the middle by three 1 1/2'' pvc pipes. The water flows into the refugium, then through a poly filter, along the pipes into the skimmer area, through another poly filter, then to the return pump. I want to upgrade the tank as far as size goes. I have found a 170 gallon that is almost the same size footprint as the old, only a tad more depth and a lot more height. <OK> There are about 30 corals in the tank, mostly LPS consisting of Euphyllia, elegance, chalices, and blastos. I have a 60 gallon qt I can keep them in during the tank exchange, but it only employs PC lighting, a heater, and a couple high flow powerheads for circulation. How long can these species withstand these conditions? <Long enough for the move.> Also, since the tank is built into the wall, the exchange would be fairly quick. <Good.> The sand bed is a 6'' DSB in the old tank, but should I use his same sand in the new one? A nutrient spike is my main concern. <Assuming your sandbed is good now, I would remove the top half, rinse the bottom half, place the bottom half in the new tank with the original top half placed on top of it.> I am considering starting the sand bed over with new sand, along with some old sand to "seed" the new bed, but what ratio should I use if I should go about that? <A sprinkle of sand to 50/50 mix, or even more.> Would I have to wait for the sand bed to establish all over again before adding the corals? <No, I am assuming that you do not have an established bed in your quarantine tank either. I would just make the move.> Would switching setups in a day be too much stress for the corals? <Quick one day move will be the best.> If the rock is kept out of water during the switch, would the die off cause high nutrient levels? <I would keep it in water, easy enough with a few $5 Rubbermaid bins.> Should I upgrade the lighting if the new tank dimensions are 72x18x30? I'm looking to start keeping SPS but I'm hoping I can get away by placing them toward the top. <Your lighting will be fine.> The levels in the tank is currently: Ammonia 0 Nitrite 0 Nitrate 10 Ca 480 Alk 9 dKH Mg 1500 pH 8.1-8.4 Phos. undetectable Is all this water transferable to the new tank? <Yes, reuse/save all that you can. Your Ca and Mg need not be quite so high.> Sorry for the overwhelming amount of questions, I just want to make sure I do this right the first time around. Thank you for the help! Patrick in Cali <Welcome, sounds like you will do just fine, have fun, Scott V.>

Metal in reef aquaria 12/19/07 Greetings Crew <Hello Mark.> I am in the process of starting a new 100 gal reef and would like to get it right the first time with your help. The lighting is installed, a new Euro-Reef skimmer is in the sump, and I'm ready for live rock. <Congratulations> What I'm not sure about is the use of metallic objects in reef systems. The metallic objects I refer to include a titanium heater, a submersible Mag 12 pump which utilizes stainless steel screws to fasten the pump chamber to the motor, and an Aqua UV ultraviolet sterilizer. The sterilizer is my main concern here as it is equipped with a sleeve wiper actuated by a 1/4" rod about 8" long. All these items have been used in a previous setup with no appreciable corrosion so the stainless is of good quality. I have always made a point of avoiding metal fasteners and clamps where contact with the water is likely but these items are supposedly made for this application. <Good practice.> Do I have cause for concern? <No, these items can be used no problem.> Thanks, Mark P. <Welcome, have fun, Scott V.>

Starting Equipment, reef  12/13/07 Hello All ... <Hello, Scott V. here.> I have a 60gal tank (48"x13"x24"). I am moving in a couple of months so I have decided to wait to setup my tank until after the move but in the mean time I plan on purchasing equipment piece by piece so that when I am finally ready I will have everything I need without blowing out my pockets all at once. <Good move.> My question(s) is this: I am simply overwhelmed by what type of equipment is needed and after all the research and reading I have done I still find myself confused by all the options ... what equipment is a must to run a FOWLR & Invertebrates that is quality without costing me a lot of money in the process? (And the gph rating needed on all equip.) I plan on using a 10gal sump with my setup also, so your opinion on all equipment needed would be a great help and perhaps give me more of a goal as to what I should purchase over the next couple months. <Basic equipment will make it easier, water changes will be your best friend. A good protein skimmer will definitely be at the top of the list. Heater, pumps for circulation, water test kits, hydrometer and lighting for viewing should be on your list. I highly recommend picking up a book on marine setup such as Bob Fenner's The Conscientious Marine Aquarist. This will go a long way towards helping you familiarize yourself with what is needed and why. Also, a good local fish store should be able to help guide you a pick out specific equipment. Buy quality product now to save money in the long run. Best of luck, Scott V.>

Re: Starting Equipment, reef 12/14/07 I have already purchased the book you speak of (The Conscientious Marine Aquarist) plus 4 others and a DVD <Excellent!!> ... in terms of pumps and skimmers, powerheads ... etc ... is there a certain amount of gph that each piece of equipment should handle to optimize the water flow in my tank? (or does this not matter all that much ... because the book does not touch on this aspect of purchasing) Thanks! <This is more about combined flow and not having a laminar flow. Reading through the articles and FAQ's on this site will help you make your decision on how to provide water flow. A good skimmer (what is considered 'good' will also be found in the FAQ's) will have a manufacturer recommended tank size for your setup. You will need to research the requirements of exactly what you plan on keeping and set your tank up accordingly, there is no one 'here is what you need to do' answer. All the information is here, you just need to select what applies to your individual tank. Welcome, good luck, Scott V.> Starting Equipment, reef 12/15/07 Hello Again! <Hello.> Thank you for your quick responses in the past (btw) ... <No problem.> I think that until I move and get my tank setup I'm going to be a big pain bugging you all the time! lol Anyways ... I've decided that I'm going to purchase an Aqua C protein skimmer w/ a MaxiJet 1200 & 2 MaxiJet 900 powerheads but now on to pumps and overflow boxes ... w/ the 1200 pumping the protein skimmer (295gph) ... which will be in a sump refugium ... but my question is this: It is suggested that the sump pump should equal 10-20x the tank size in water flow which would mean I would need 1200gph for 20x (60gal tank) ... <Flow through the sump can be less, 10-20X will be total tank circulation.> Obviously the protein skimmer doesn't come close ... so what size overflow box would I need (gph) < I would look for a box in the neighborhood of 300-600 gph for this size tank, of course larger if you plan to run the entire flow through your sump. Please look at these overflows. http://glass-holes.com/category.sc?categoryId=3 I will disclose I do have an interest in this particular company, just want to give you an idea of what you will need. I urge you to stay away from the siphon type overflows lingering out there. You will be much happier if you drill your tank for an overflow now, before it is set up.> and also, is it feasible to use the urchin skimmer with a 20x pump? <Yes, with the 20X being sump return/closed loop, not driving the skimmer, use the manufacturer recommended flow through here.> or would everything still run fine (I hope I'm making sense in what I'm trying to ask) <Yes, good skimmer choice by the way.> Thanks for the advice! <Welcome, Scott V.>

Re: Starting Equipment, reef 12/15/07 Sorry ... also forgot to ask if this light setup would work for a FOWLR 60gal w/ Inverts. Current USA Orbit Compact Fluorescent Fixture, 4X65 Watt, 48 inch Includes: Two 65 Watt Dual Actinic Lamps (460nm/420nm) and two 65 Watt Dual Daylight Lamps (10,000K/6700K) Four lunar lights Each set of compact fluorescent lamps have their own power cord and switch to enable dawn/dusk lighting (one switch and power cord for the Daylight lamps, one switch and cord for the Actinic lamps). The lunar lights have their own power cords. The fan is wired into the switch and cord for one set of compact fluorescent bulbs. Black powder coated extruded aluminum housing. A great match for All-Glass, Island, Oceanic and Perfecto Aquariums. One 3" fan for ventilation Adjustable Docking Mounts (legs) for elevating above aquarium. Easily removable acrylic lens. <For a FOWLR w/inverts this will be fine. If you plan on keeping corals down the road you may have to upgrade depending on what you wish to keep.> Thanks again! <Welcome, good luck, Scott V.>

Reef Start-up 11/4/07 I am getting a 75 gal aquarium. I am looking to do a reef set up (first one) with LR, LS, soft easy corals, and docile fish. <Welcome to reefing!> I will approx 2" of substrate and plenty of live rock. I have a bit of experience with the marine set-up; however I have been researching the sump set-up and am a bit confused. With using all I mentioned above, will the tank cycle itself, or will I need to add a cocktail shrimp? <Your substrate should be either shallower (.5 inch or so, will trap less detritus) or deeper ( 4-6 inches, provides some denitrification). Cycling a reef tank with live rock has more to do with curing the rock rather than the traditional cycling you are probably familiar with. The site has a great article on cycling live rock, no shrimp required to cycle. http://www.wetwebmedia.com/ca/volume_2/cav2i3/Live_Rock/live_rock.htm > The tank is coming with a wet/dry sump with bio balls. I understand bio balls are not what you want filtering your reef tank. <They are not. > Am I correct to use live rock and live sand (refugium) where the bio balls would go? <Yes, I would also recommend lighting it on a reverse cycle from your main system and including a macroalgae such as Chaetomorpha. This will provide a more stable ph and some nutrient export.> Should I continue to use the blue filter pad to filter the tank water prior to the tank water entering the sump where the live rock sits? <Some people do, some don't. I don't. If you do use it just be sure to clean the pad quite frequently.> Should the protein skimmer pump the skimmed water into this live rock compartment or the return compartment? <If you can I would try to process your water skimmer, refugium, and then return. This will let your pod population from your refugium enter your main tank without interference from the skimmer.> Would you recommend using a UV sterilizer at first, or at all? <I am not a fan of UV sterilizers. They have their uses, I just feel that the average tank benefits little from them.> Do I need to rinse the activated carbon before I place it into the sump? <I would, just to remove dust.> My other 2 tanks were FOWLR with bio balls in the sump, but I want what's best and easier for my new tank. I plan on taking my time but I want to set it up and cycle it correctly first. Thanks in advance, Jason Wagner <You're welcome, it sounds like you are well on your way to a successful reef tank. Thank you, Scott V.>

Re: Reef Start-up 11/8/07 Thanks for the speedy response!! <Welcome.> Great advice, that is what I will do. I will be starting my tank up on Friday I'm sure I will have a few more questions for you in the next coming weeks. <No problem.> For now, have you heard of using panty hose as filter bags for carbon? If so, would you recommend? Jason <Yes, they can be used assuming that they are clean. No lotions, detergents, perfumes, etc. The thing about nylons (and the nylon sold specifically for aquariums) is that they tend to trap air and the water tends to just flow around them. I use and highly recommend this Rio product http://www.petmountain.com/product/cartridges/510039/rio-pumps-rio-bio-bead-cartridge-1-pack-110.html It comes with media, just dump it and use your carbon (use a fairly high quality carbon). It is completely reusable, does not trap air, allows flow through the carbon and costs about five bucks. Have fun Scott V.> Thanks very much for the information. <You are very welcome.>

Reef System set-up 10/30/07 Dear Crew, Thank you for the wonderful wealth of knowledge you place at this site. I have been keeping a 55 gal FOWLR (have some star polyps as well) tank now for 3 years and I attribute the success to what I have learned reading at your site. <Scott V. with you tonight, thank you for the kind words Mark> I'm ready now to make a jump to a reef ready 90 gal (48x18x24) acrylic tank, which I am going to custom build Hickory cabinets for (have a neighbor who can make cabinets). I wish I could go bigger, but the 90 fits the space better. The wet dry on my 55 has insufficient capacity for the 90 and I'll need to upgrade this as well. Through my reading, I'm finding out that a wet dry may not be the best choice if I want to try keeping corals, although I've seen many systems that incorporate a wet dry in this application. <First, congratulations on the new tank. Reefs can work with wet/dry filter, but with sufficient live rock it is not needed and the bio media in the filter will just trap detritus that could otherwise be removed from the system.> The reading leads me to a sump/refugium design. I have the tools to make my own sump out of acrylic and I need some feedback on the design. I have attached a PDF file with a drawing of the design I have adapted from others I've found on the web. As with anything "new" I'm apprehensive about giving up the wet dry cold turkey! If you could look at the sump design and provide suggestions, I'd appreciate it. <Looks like a solid layout. The only thing I might suggest is in the refugium. You have the water level set at 10', you could raise it even higher to get more volume in it since you are actually bringing water in from the overflow rather than just making it a middle chamber that the water just flows over. It is scary leaving something you know behind, but your live rock will provide biofiltration.> I think I have enough capacity to handle a power outage, do you agree? <Should be, that is a good sized sump. Depends on how far below the tank's waterline your return runs. Putting it just below the water level and/or incorporating a siphon break will help with this.> I plan on sending water to the refugium by splitting water off from the tank drain and using a gate valve to regulate it. <This is how I would do it, raw water to the refugium and your skimmer wouldn't process the full flow each pass anyway.> Most of the tank water will of course go to the skimmer portion of the sump. I have read recommendations of splitting the return line and using some of that to feed the refugium but I didn't want to reduce the flow back to tank. This tank only has one 3/4" return...I know that two would be better...but it's what I've got. I plan on using the Mag 7 from my 55 to run this initially, but I don't believe this is sufficient circulation. Will the single overflow/ 1" drain handle anything bigger? <You could possibly split the return into two smaller returns after it runs through the ¾ bulkhead, but you will still need some other circulation through powerheads or a closed loop for a reef (10 X turnover being minimum). The 1' bulkhead will already be pretty much at its limit with the Mag 7.> Thanks, Mark Gustin <Thanks for writing Mark. Its great you are building your own sump, have fun with it Scott V.>

Re: Reef System set-up 10/30/07 Thanks Scott....makes me feel more at ease before I begin cutting acrylic...will make suggested height increase to refugium...maybe another inch or two....don't want too much water fall noise. <Glad to help. You have a good design for your sump/refugium, I understand the need to keep things quiet.> One more question...should I incorporate any mechanical filtration between the skimmer and the return area? I may use a stand pipe in the overflow and thus would have no mechanical filtration at all in this system. Thanks again! Mark Gustin <You could have a filter sock(s) on the overflow outputs or a filter pad tray (even possibly run a Polyfilter) between compartments. You do not necessarily need to use any mechanical filtration, a lot of people do and don't with great success. Without any mechanical filtration (other than your skimmer), the idea is to have enough flow to keep everything in mixed up until your skimmer or tank inhabitants process it. If you do choose to run something just be sure to clean quite frequently. I used to run a filter sock and clean it quite obsessively (daily). Not quite that urgent, but needs to be maintained. Happy building, Scott V.>

Worried Beginner, Marine Setup and Stocking 10/25/07 Gents/Ladies <Hello> I am about to introduce my first live stock this weekend, but I really need some advice............ <Ok> My recent set up is .... 190 L, UK 42 Gallon corner unit tank <About 50 US gallons.> Eheim external filtration with phosphate remover A UV filter Reverse Osmosis water - via my RO unit Air Driven protein skimmer (advised by shop that it is adequate but not so sure now :-() <Probably not.> Plenty of live rock Tank has cycled Lighting 2 x t5 28watts with reflectors And 2 T8 20 watt blue actinic with reflectors Parameters Salinity 1023 Nitrate ammonia 0 PH 8.2 Sorry if I'm asking q's answered a hundred times.... 1.A piece of live rock I bought had a beautiful soft grass like algae on it, I've been told I should remove it, but it looks good, will it spread ?? from reading your posts I think it may be maidens hair. <It may spread, but if you like the look of it keep it and manually remove any that gets out of control.> 2.I have small flower like things growing on the rocks, Aiptasia (me thinks), how can I get rid of these before they spread. <Peppermint shrimp (Lysmata wurdemanni), or chemical attack. See these articles for more http://www.wetwebmedia.com/marine/inverts/cnidaria/anthozoa/Aiptasia/aiptasia.htm http://www.wetwebmedia.com/ca/cav1i3/aiptasia_impressions/aiptaisia_impressions.htm > 3. I have no live stock at the moment, is my stocking guide ok ? what would you recommend for my tank, (I will introduce them incrementally) <5 or 6 small fish.> 2 clown fishes <ok> 1 yellow tang (juvenile) <No tangs in this sized tank.> 1 regal (juvenile) <Nope> 1 Mandarin psychedelic <No, needs a large and mature aquarium to provide food for it.> 3 blue Chromis <Ok> 1 fox face <At the minimum sized tank here, make sure to stock lightly if you add this fish.> And possibly a firefish angel <I would go with either the Angel or the Fox Face Lo.> Pulsing xenia Pussey coral <Common name that applies to several different species, some better than others.> Finger coral < http://www.wetwebmedia.com/alcyoniidfaqs.htm > 1 anemone <No not mix anemones and corals, plus anemones are very fragile and definitely not appropriate for beginners.> 1 sand shifting star fish <Will wipe out your sandbed fauna and end up starving to death.> 2 cleaner shrimp <Ok> turbo snails <Ok> Really appreciate someone getting back to me, as I've received so much contradicting advice <When in doubt, go with the more conservative approach.> Mo <Chris>

Re: Worried Beginner  10/25/07 Sorry forgot to attach the pic, as you can see the top rock has the maidens hair? <Can't tell from the picture, but the tank looks nice.> Also, since the pic, I Have installed a Tunze nano stream power head <Good>
Thanks
Mo
<Chris>

55 Gallon Reef Tank... setup    10/22/07 Hello, <Hi Adam> I have been reading your site for many many months now as I started my first reef tank around 8 months ago and am trying to learn everything that I possibly can about the hobby. I have a few questions concerning my reef setup. <OK> First question is: I recently added a large piece of live rock from a LFS, before the addition of the rock, I had very little problem with algae growth, a small patch of hair algae on one piece of live rock and some in the overflow box. After the addition of the rock I have had a Cyanobacteria outbreak. It is centralized on the sand surrounding the newly placed live rock. I have vacuumed and performed water changes for around a month now trying to rid myself of it. Tank parameters are all optimum (zero nitrates, zero nitrites, zero ammonia, PH 8.2, I have not tested for phosphates in a while but last I checked it was minute, Salinity is 1.023-1.024, I use Bionic as my calcium and buffer, Water changes performed with a 5 Stage RO/DI at 8ppm, and all water aerated for 24+ hours. I have a 45 gallon sump with a trickle filter (bioballs), an ASM G-3 Protein skimmer producing dark green mush and a separate compartment with a refugium. Various macro algae and several pieces of smaller live rock in the refugium) I still have blue green algae. My guess is circulation. I use a Mag 7 for the return pump and it has only a single outlet into the tank. There are three power heads 2 190 GPH and 1 Maxi Jet 1200. I have been looking at various "upgrades" for this problem. One idea was to go with a Tunze Stream 6101, a SCWD on the return line, and purchase an upgrade kit I have found for the Maxi Jets that changes them over to a propeller style power head and says it produces around 1600 GPH of flow. I would place the Tunze and the upgraded Maxi Jet at opposing diagonal angles with the Tunze on a lower flow setting. (I am thinking of going with the Tunze because I am currently finishing the basement and am incorporating a 210 gallon tank into it, I would like to use as much of the existing equipment from the 55 gallon as possible. Hence the LARGE ASM G-3). Would the Tunze and upgraded Maxi Jet produce too much flow in the small tank and turn it into a hurricane of sorts? Or should I try to use a series of 3-4 Maxi-Jets (maybe a couple with the upgrade kit) and a Wave timer? <With your future plans, I'd probably go with the Tunze. This model has a flow rate of 660 to 3170gph. You could use it at the lower flow rates for your 55. Since this pump does not produce a high flow rate in the core area of the water jet, it will not give you the hurricane effect.> I know this will depend on my inhabitants. Currently the 55 gallon has approximately 50-55 lbs of live rock and a 4-5 inch sand bed. All larger pieces of rock and not too much rubble. It houses some pulsing Xenia, a Frogspawn, a large Pink Leather (similar to a devil's hand?), Moon Coral, a Pink Brain, Green Ricordea and some Star Polyps. Fish wise: there are 2 Perculas, a Bar Goby, a Watchman Goby with Pistol Shrimp, 2 Green Chromis, a Yellow Tang, and a Neon Goby. Also a myriad of cleaner crew creatures. I have thought of trying some Acro frags and maybe a small clam (that could grow larger in the big tank when finished), but am afraid that the T-5's being utilized ( 2- 55watt actinics and 2 -55 watt 10K's) are not enough and that the bio-load in the tank may be getting to great to house any more animals. (please advise?) <Yes, will not be enough light for clams and Acro's.> Last question, I have a pink and blue brain coral (It is bright pink with a camo blue pattern on it, I had never seen one of this pattern before and jumped on it after researching brain coral care.) Despite my research I have noticed that even though during the day the coral is large, expanded and VERY fleshy during the day, at night when it opens to feed (tentacles displayed) the tissue seems to be receding around the rim? (I was going to attach a .JPEG but could not get a good picture due to glare.) I have had the coral now for several months and I thought it was doing excellent. I moved it from mid tank when I noticed the recession a couple of weeks ago. I thought it may have been too close to the leather coral and too close to the lights. <The two T5's are not enough light for this coral.> I moved it to the sand bed, but still under full lighting and not in the shade. The recession does not seem to be getting better, but as I said it looks great during the day. Is this just what it should look like normally and I never noticed it, or is there something happening to my favorite coral? ( I spot feed it E.S.V. spray dried plankton 2 - 3 times a week) <I'd put it closer to the lights and feed meatier foods a couple times a week. Shrimp and clam in a minced preparation works well in this regard. Do feed at night when the tentacles are expanded.> I have pealed over the Wetwebmedia website and found no information on the upgrade kits for the Maxi Jets, (it is available from Marinedepot.com and is marketed as a Maxi Jet 1600 Upgrade Kit, it has two 5 star reviews, but I am still skeptical) and nothing directly available in the way of the Tunze 6101 in a 55 gallon tank. <The upgrade kit for the Maxi-Jet's is news to me, but by looking at the kit, I wouldn't be afraid to try one and see how they work. The Tunze 6101 is rated for tanks from 52 to 528 gallons so no worries here. Another alternative for the Maxi-Jets is the use the FLO Rotating Deflector. I use these on my Maxi-Jets and they work quite well. Drs. Foster/Smith has the best prices on these, I believe around nine bucks.> As I said I would like to be cost effective in my planning, but ultimately I want to do what is right for my tank inhabitants; for this tank is my pride and joy and their happiness is of my utmost concern. :) <Good to hear this.> Sorry for the long email, but I have been building up questions since I joined you guys in this great hobby. Almost all of them already answered thanks to you guys and your wonderful site. <Great, and thank you! James (Salty Dog)> Thank you, Adam

Stocking Level/Upgrade Questions, reef  10/13/07 Hi , <Hi Gordon> I have a question regarding some changes I plan to make to my tank and wanted to get your input. <OK> Setup, (Quasi-Reef): 75 gallon tank (built-in overflow with two water returns) 20 gallon sump (Lifereef no bioballs) 36 inch Lifereef protein skimmer 2 Little Giant water pumps (model 4-MDQX-SC, 1325gph at 1 foot I'm guessing I get about 1080gph at 6 foot), skimmer and water return Chiller (keeps the tank between 78 and 79 degrees) Coralife power compact light with reflector (2 65 watt 10K and two Actinic) Power heads Stock: 100 LBS Fiji live rock No substrate, (wife hates it when it turns green/brown/white) <I have one of those specie (wife) also.> Various sponges etc encrusting the live rock 3 Rose Bubble Tip Anemones Side question here I noticed in some of the other articles you have that my lighting might not be considered adequate for the BTA's. Both were about 6 inches in diameter when I bought them and they are larger now. One split and both halves are now 8 inches in diameter. The one that did not split is about 11 inches in diameter, (dominates one side of the tank, it's a monster). I have never seem them completely deflate and even when the tank lights go out they just close down some. Color is good; tentacles are bright rose in color, long and flowing, (they bubble up more at night). Base is white/pink; with bright green coloration throughout (esp. under actinic light) foot/trunk is pink. They have been in the tank for just over 2 years now. I also feed them pieces of silverside every 4-5 days. They readily take food and will enclose the food. The tentacles feel sticky to the touch when I feed them, (nematocyst firing?). They do occasionally move around a bit, just recently replaced my bulbs, so I guessing that may be why as the light intensity has gone up some. Based on what I've read everything seems to indicate that are healthy and doing well. What do you think? <By your description, it sure seems like everything is going OK for you. BTA's do not require as intense a light as most other anemones. What you have appears to be adequate.> 2 True Percula clowns, (living in the largest BTA and one of the splits) 1 large Bi-color Angel 1 small Yellow Tail Blue Damsel 1 large Three-Stripe Damsel <Trouble makers.> 1 Dwarf lion 6 large Turbo-grazer snails 1 large Coral Banded Shrimp 1 small polyp rock, (6 small Green Star Polyps and 10 brown Button Polyps), hopefully this will make a good starter. All are fully open and waving in the breeze. Water parameters are all with acceptable values, except phosphate which is a little high 0.01 to 0.02, (time to change the Phosguard). Supplements Iodine, Strontium, Coral Calcium, Coral Vital, Selcon and buffer as needed I feed silver sides, flakes, brine shrimp frozen, freeze dried Tubifex worms, Mysis shrimp, live brine shrimp on occasion, saltwater pellets, Formula One (frozen), Phytoplankton, powdered and liquid. My tank has been going strong since March 1999 and I'm finally happy with it to the point that I want to move forward with my planned growth. Sorry to get so descriptive, just wanted to make sure you had a good overview. <Yes, it helps.> My plans for future expansion over the next year are as follows in the following order: 1. Add another 25-50 lbs of live rock, flat pieces to layer it down to the bottom from my two existing piles of live rock to cover most of the bare bottom. I want to add a variety of different corals/polyps etc and hopefully have them grow to cover this base rock to get a sort of flowing living carpet look. I hate the bare bottom, (ugly, but I'm not going to win that battle with the wife). <Too bad, a coral sand bottom does offer a haven for helpful critters to propagate along with aiding in keeping calcium and alkalinity levels up.> I would like to include pulsing Xenia in this mix. <A good choice and fast growing.> Do you have any suggestions on good species to add? <Mmm, no, not with your present lighting. Your choices seem well balanced.> 3. I think I need to add some more critters as a cleaning crew, but I'm worried about adding too many as I don't want any to starve, plus I'm concerned about buying a pre-packaged cleaner crew since I have no substrate for them to shuffle through. <Yes, I'd just add more hermits and snails for now.> If I get one of the packages some of the mail order houses sell I want to make sure that the species will survive in my environment. I can't get them locally as my LFS just doesn't carry that kind of quantity, nor at reasonable enough cost. What would you suggest? <As above.> 4. I would like to add a small school of fish 4-6 I was thinking of Green Chromis, but my wife doesn't care for them, she thinks they are too plain. Can you suggest some alternates that will get along with their tank mates? <There are some nice ones, but with that bar brawler (Three Striped Damsel) you have in there I wouldn't recommend what I had in mind (Pajama Cardinals).> I would like add the following after the above 5. One Cleaner Shrimp 6. One Royal Gramma 7. One Small clam (Derasa? Near the surface to take advantage of the light) <Don't think your lighting is intense enough for Tridacna Clams, and they seem to do better on a sandy bottom.> 8. One small Blue Tang. <I'd stay away from this guy until you have larger quarters for all these fish.> What do you think? Is my plan too ambitious for the size of tank, experience level etc I have? <To ambitious for the size of tank.> I am also planning to upgrade the tank to a 90-gallon in the near future; my sump is rated to 150 gallons and skimmer to 200 gallons) <Much better going for a longer tank than a higher one. Doesn't make much sense to spend the money to upgrade to a 15 gallon larger tank, and all you are doing is adding height to the tank, no increase in swimming or surface area.> I also want to add that you guys have a great site that has been of untold benefit to me ever since I got into saltwater. Keep up the good work. <You're welcome. Gordon, in future queries, do cap the names of fish, invertebrates and proper nouns. We just do not have the time to edit queries before they can be posted on our web site. James (Salty Dog)> Gordon

Small Marine Aquariums
Book 1: Invertebrates, Algae
New Print and eBook on Amazon:
by Robert (Bob) Fenner
Small Marine Aquariums
B
ook 2: Fishes
New Print and eBook on Amazon: by Robert (Bob) Fenner
Small Marine Aquariums Book 3: Systems
New Print and eBook on Amazon:
by Robert (Bob) Fenner
Become a Sponsor Features:
Daily FAQs FW Daily FAQs SW Pix of the Day FW Pix of the Day New On WWM
Helpful Links Hobbyist Forum Calendars Admin Index Cover Images
Featured Sponsors: